[기출문제] 감지기회로 배선
[ 문 제 ]
감지기회로의 배선에 대한 다음 각 물음에 답하시오 (2015, 2016년 기출)
(1) 송배전식에 대하여 설명하시오
(2) 송배전식의 적응 감지기를 3가지만 쓰시오
(3) 교차회로 방식에 대하여 설명하시오
(4) 교차회로 방식의 적용설비 5가지만 쓰시오
[ 정 답 ]
(1) 송배전식에 대하여 설명하시오
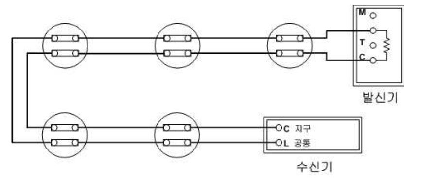
답 : 수신기에서 회로도통시험을 용이하게 하기 위하여 배선의 도중에서 분기하지 않는 방식
(2) 송배전식의 적응 감지기를 3가지만 쓰시오
답 : 차동식스포트형감지기, 보상식스포트형감지기, 정온식스포트형감지기
(3) 교차회로 방식에 대하여 설명하시오
답 : 설비의 오작동을 방지하기 위하여 2개 이상의 회로가 교차되도록 설치하여 인접한 2개 이상의 회로가 동시에 작동해야 설비가 작동되도록 하는 방식
(4) 교차회로 방식의 적용설비 5가지만 쓰시오
답 : 준비작동식 스프링클러, 일제살수식 스프링클러, 이산화탄소소화설비, 분말소화설비, 할론소화설비
[ 유사 기출 문제 ]
감지기회로의 배선에 대한 다음 각 물음에 답하시오 (2023년 2회 기출)
(1) 송배전식에 대하여 설명하시오
(2) 교차회로의 방식에 대하여 설명하시오
(3) 교차회로방식의 적용설비 2가지만 쓰시오 (단, 두 가지가 모두 맞아야 정답으로 인정된다)


